En baja tensión, los regímenes de neutro y los
esquemas de conexión a tierra se rigen por las normas IEC 60364-4-41, UNE HD
60364-4-41 y Reglamento BT ITC 08. Se tienen en cuenta tres esquemas de
distribución en baja tensión. Cada esquema está definido por dos letras.
La primera letra define la situación del punto
neutro del transformador de distribución con respecto a tierra.
T: conexión directa desde punto neutro a tierra
I: punto neutro aislado de tierra o conectado a
tierra a través de una impedancia de alto valor.
La segunda letra define el método para conectar
las masas de la instalación eléctrica:
T: las masas están interconectadas y conectadas
directamente a la tierra, independientemente de la posible conexión a tierra
del punto neutro
N: Las masas están conectadas directamente al
conductor neutro.
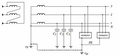
Neutro
aislado o impedante (esquema de distribución IT, Figura 1)
En este esquema el neutro del transformador está
aislado o conectado a tierra mediante una impedancia de alto valor (primera
letra I). Frecuentemente se utiliza una
impedancia ZN de 1700 Ω.
Figura 1: Neutro aislado o impedante
(esquema de distribución IT) en baja
tensión
Las masas de los receptores están interconectadas
totalmente o en grupos. Cada grupo interconectado está conectado a una toma de tierra
(segunda letra T). Es posible que
una o más masas estén conectadas separadamente de tierra.
Siempre que sea posible, se recomienda
interconectar todas las masas de la misma instalación y conectarlas a la misma
tierra. Sin embargo, se admite que las masas muy separadas entre sí, o situadas
en diferentes edificios, no lo estén. En este caso, cada grupo de tierras
conectadas a la misma tierra, y cada tierra conectada individualmente a tierra,
deben estar protegidas por un dispositivo diferencial de corriente residual.
Las conexiones a tierra de las masas y el neutro
pueden o no estar interconectadas o unidas.
No tiene ninguna ventaja distribuir el neutro, ya
que da como resultado una limitación de las longitudes máximas de las canalizaciones.
La instalación de un protector contra
sobretensiones PS entre el
punto neutro del transformador de AT/BT y la tierra es obligatorio. Si no se
puede acceder al neutro, el protector contra sobretensiones se instalará entre
una fase y tierra. Protege la red de baja tensión contra el aumento de tensión
resultante de un cebado (contacto por avería) entre los devanados de alta y baja
tensión del transformador.
Neutro
conectado directamente a tierra (esquema de distribución TT, Figura 2)
El punto neutro del transformador está
directamente conectado a la tierra (primera letra T).
Figura 2: Neutro puesto directamente
a tierra (esquema de distribución TT)
en baja tensión
Las masas de los receptores están
interconectadas, ya sea juntas, en grupos o individualmente, y están conectadas
a tierra (segunda letra T). La
protección se proporciona mediante dispositivos diferenciales residuales. Todas
las masas protegidas por el mismo dispositivo de protección deben estar
conectadas a la conexión con tierra.
La conexión a tierra del neutro y la de las masas
pueden o no estar interconectada o unidas. El neutro puede ser distribuido o
no.
Neutro
conectado directamente a tierra y masas conectadas a neutro (esquema TN)
El punto neutro está directamente conectado a la
tierra (primera letra T).
Las masas de los receptores están conectadas al
conductor neutro (segunda letra N).
Hay dos diagramas posibles dependiendo de si el
conductor neutro (N) y el conductor de
protección (PE) están unidos o no.
■ Primer caso
Los conductores de neutro y protección se
combinan en un solo conductor (común) llamado
PEN
- El esquema se identifica con una tercera letra C (de común) y se denomina TNC (ver Figura 3):
- se recomienda conectar el PEN regularmente a tierra para limitar su nivel de potencial con respecto a tierra.
- este esquema está prohibido para secciones menores de 10 mm² de cobre y 16 mm² de aluminio, así como para canalizaciones móviles. También está prohibido aguas abajo de un esquema TNS.
Figura 3: Esquema de distribución TNC
■ Segundo caso
- El conductor neutro y el conductor de protección están separados. El esquema se identifica con la tercera letra S (de separados) y se denomina TNS (ver Figura 4).
Figura 4: Esquema de distribución TNS
Las tomas de tierra deben estar repartidas
uniformemente a lo largo del conductor de protección.
Este esquema TNS
es obligatorio para secciones menores de 10 mm² de cobre o 16 mm² de aluminio,
así como para canalizaciones móviles. Está prohibido aguas arriba de un esquema
TNC.
Notas:
Ambos esquemas TNC y TNS pueden usarse
en una sola instalación. Pero el esquema TNC
de 4 conductores nunca debe estar aguas abajo del esquema TNS de 5 conductores (ver Fig. 5).
La puesta de las masas al conductor neutro requiere
la creación de un sistema equipotencial para evitar el aumento potencial de las
masas y los elementos conductores durante los defectos de fase a tierra. Por lo
tanto, es necesario conectar el conductor PEN
a numerosas tomas de tierra repartidas en la instalación.
Figura 5: Combinación de esquemas de
distribución TNC y TNS
POSTS RELACIONADOS:
Análisis
de riesgos en caso de defecto (s) de aislamiento en instalaciones de BT
https://imseingenieria.blogspot.com/2015/10/analisis-del-peligro-en-caso-de-defecto.html
https://imseingenieria.blogspot.com/2015/10/analisis-del-peligro-en-caso-de-defecto.html
Elección del régimen de neutro en baja
tensión
Importancia de los regímenes de neutro en
las redes eléctrica
Realización y puesta en marcha de una
instalación de BT. con régimen de neutro TN
Comparación y elección de los diferentes
regímenes de neutro en baja tensión
Necesidad del régimen de neutro IT en la
disponibilidad de energía eléctrica de los centros de producción






No hay comentarios:
Publicar un comentario